| / HOME / Automazione Porte / Prodotti / Profilo per ante fisse in vetro F30 / |
F30
Profilo per ante fisse di porte automatiche scorrevoli in vetro
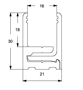
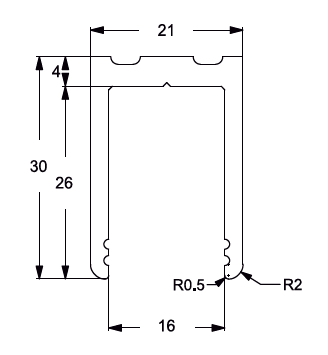
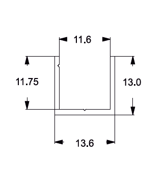
Il profilo ha uno spessore di 21mm, altezza profilo superiore e inferiore di 30mm e larghezza dei montanti di 13mm.
Viene fornito con guarnizioni a corredo per vetro temperato di spessore 10mm,12mm o vetrostratificato di spessore 10,76mm
Viene fornito con guarnizioni a corredo per vetro temperato di spessore 10mm,12mm o vetrostratificato di spessore 10,76mm
Download

F30 dettaglio della finitura del profilo

Sezione del profilo inferiore a scatto

Sezione del profilo superiore

Sezione del montante verticale
