| / HOME / Portes Automatiques / Produits / Profile for fixed glass F30 / |
F30
Profil pour panneaux de verre fixes
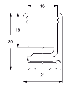
Le profil est épais de 21 mm, la base inférieure et supérieure a une hauteur de 30 mm et les profils latéraux ont une largeur de 13 mm.
Il est fourni avec des joints et des accessoires pour adapter du verre feuilleté de 10,76 mm ou du verre trempé de 10 mm, 12 mm.
Il est fourni avec des joints et des accessoires pour adapter du verre feuilleté de 10,76 mm ou du verre trempé de 10 mm, 12 mm.
Télécharger

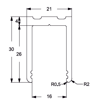
F30 détail de la finition du profil

Section du profil inférieur à déclic

Section du profil supérieur

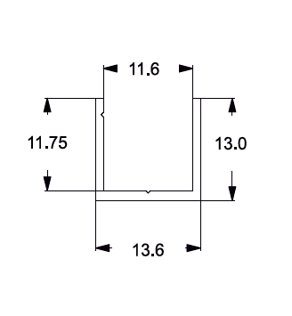
Section du montant vertical
