| / STARTSEITE / Tür Automatisierung / Produkte / Profile for fixed glass F30 / |
F30
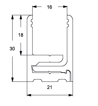
Profile for fixed glass panels
The profile is 21mm thick, the bottom and upper base is 30 mm high and the side profiles are 13mm wide.
It is supplied with gaskets and accessories to fit laminated 10,76mm glass or tempered 10mm, 12mm glasses.
It is supplied with gaskets and accessories to fit laminated 10,76mm glass or tempered 10mm, 12mm glasses.
Download

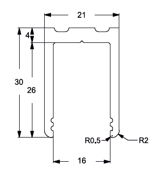
F30 profile finish detail

Snap-in lower profile section

Top profile section

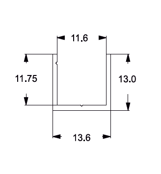
Vertical profile section
